БЕЛ ОПОРА

Световые фигуры

Завод «БелОпора» представляет профессиональную серию уличной новогодней иллюминации. Наши каркасные светодиодные фигуры — это готовое решение для создания масштабного и запоминающегося праздничного оформления коммерческих и муниципальных объектов. Каждая модель разработана с учетом многолетней эксплуатации в суровых зимних условиях.

БЕЛ ОПОРА

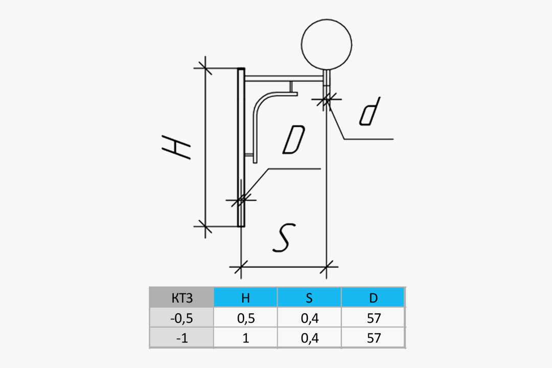
КРОНШТЕЙНЫ КОНСОЛЬНЫЕ

БЕЛ ОПОРА

КРОНШТЕЙНЫ С ОПОРОЙ (ВИЗУАЛИЗАЦИЯ)

БЕЛ ОПОРА

КРОНШТЕЙНЫ ТОРШЕРНЫЕ

БЕЛ ОПОРА

КРОНШТЕЙНЫ ТОРШЕРНЫЕ С ОПОРОЙ (ВИЗУАЛИЗАЦИЯ)